Реле контроля и наличия фаз CZF-312 (монтаж на DIN-рейке 35мм; регулировка порога; без задержки отключения; 3х400/230+N 2х8А 1Z 1R IP20) F&F EA04.001.007
Реле контроля фаз серии "CZF"
Монтаж на DIN-рейку.
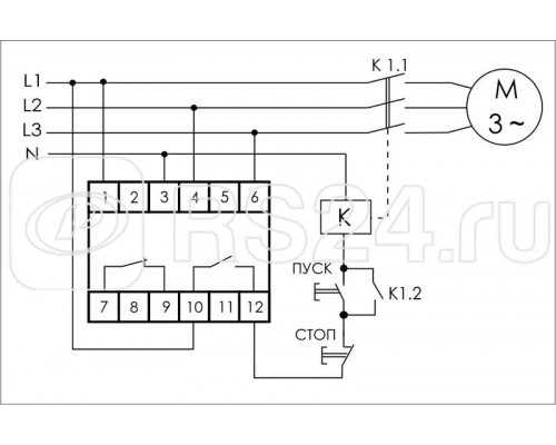
Предназначено для защиты электродвигателей и электроустановок, питаемых от трехфазной сети в случаях: отсутствия хотя бы одной из фаз, асимметрии напряжения, снижения напряжения менее 160 В, обрыва нулевого провода.
Принцип работы
Если напряжение в пределах нормы, контакты исполнительного реле замкнуты и на контактор управления электродвигателем подается напряжение, управляющее его включением. В случае одной из вышеперечисленных аварийных ситуаций контакты реле размыкаются и контактор отключается. Включение происходит автоматически после восстановления сетевого напряжения питания.
Особенности:
контроль наличия фаз;
контроль асимметрии между фазами;
контроль нижнего значения напряжения;
защита от обрыва нулевого провода;
напряжение питания 3x230+N В AC;
контакт - 1NO, 1NC (2x8 А).
